Power Equipment Since 1981

Under Technical Collaboration with


About CHEM


CHEM was established in 1956 in Taiwan and became Public company in 1994. The first GIS was manufactured and dispatched by them in 1987. CHEM has supplied over 5000 Bays in last 24 years and are leader in Taiwan Market enjoying over 70% of Market Share.


CHEM has a strong technology base, evident by their extensive type testing record. CHEM have carried out the Type Test on all range of GIS upto 500kV at CESI/KEMA and also on GCB upto 765kV. In-house Test facilities are also available to carry out Routine and Type tests to comply with IEC and ANSI standards


CHEM has highly vertically integrated manufacturing facilities with over 90% of the components being made in house. In fact, these facilities not only caters their own requirement of GIS components but also meets the need of some other GIS manufacturers like JAEPS, ABB, Areva, Siemens etc .



Technical Data


Type Unit CFTA IFT
  Rated voltage kV 72.5 145 245 420
  Rated power frequency withstand voltage Kvrms 140 275 460 650
  Rated lightning impulse withstand voltage Kvp 325 650 1050 1425
  Rated switching impulse withstand voltage Kvp - - - -
  Rated normal current bus bar A 2000 3150 4000 6300
  Rated normal current feeder A 2000 3150 4000 6300
  Rated short circuit breaking current kArms upto 40 upto 40 upto 50 upto 63
  Rated peak withstand current KAp 104 108 135 164
  Rated short time withstand current kA/sec 40/3 40/3 50/3 63/3
  Leakage rate per year & gas compartment % <0.1
  Driving mechanism of circuit breaker - Stored energy spring (common pole drive)
  Operating sequence - 0-0.3 s-CO-3 min CO or CO-15 S-CO
  Ambient temperature °C -30 to +40
  Standard - IEC & ANSI
  Inspection years >20
  Expected lifetime years >40


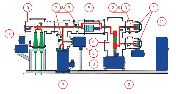
Sectional View


  1. Main Bus
  2. Disconnector
  3. Earthing Switch
  4. Circuit Breaker
  5. Current Transformer
  6. Voltage Transformer
  1. Lightning Arrestor
  2. Operating Cubicle
  3. Fault Making ES
  4. Cable Head Box
  5. Local Control Panel


Key Features


Advanced Technology:

Efficient arc extinguishing technique offers enhanced life to breaker with 20 operations at full rated short circuit current.


Compact Design:

Requires half the space of traditional design.


Higher Reliability:

Robust operating mechanism offers almost 30 years of maintenance free operating life. Metallic enclosures are designed and tested for the stringent requirement of internal gas pressure developed under internal arc fault conditions to offer highest safety to the operating personnel.


Quality Assurance:

Well-established quality assurance system ensures higher reliability, safety and availability of the system. Environment Friendly - Low SF6 leakage rate (0.1% per annum)


Maintenance-free:

The operating mechanism is lubricated for its long life and virtually needs no maintenance. With low leakage rate, there is no need for any maintenance either in the internal assemblies or by way of gas monitoring and refilling.